YS-SD系列部分回转型阀门电动装置
PRODUCTS
  • 产品名称:

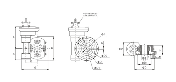
        YS-SD系列部分回转型阀门手动装置

    型号 Model

    3

    4

    5

    6

    7

    8

    9

    10

    11

    12

    13

    14

    技术参数 Technical - parameters

    速比 Speed ratio

     

    342:1

    360:1

    420:1

    540:1

    585:1

    648:1

    657:1

    1177:1

    1359:1

    1655:1

    1815:1

    连接尺寸 Connection - size

    法兰号 Flange

    f10

    F12

    F14

    F16

    F18

    F20

    F25

    F30

    F35

    F40

    F48

    F60

    法兰外圆(D) Flange outer circle

    125

    150

    175

    210

    230

    260

    300

    350

    415

    475

    560

    686

    连接孔中心(D0) Connecting hole center

    102

    125

    140

    324:1165

    185

    200

    254

    298

    356

    406

    483

    603

    孔数-螺栓(N-M)Hole number - bolt

    4-m10

    4-m12

    4-m16

    4-m20

    4-m20

    8-m16

    8-m16

    8-m20

    8-m30

    8-m36

    12-m36

    20-m36

    凹面(D2Xh)Concave

    70×4

    85×4

    100×4

    130×5

    130×5

    160×5

    200×5

    230×5

    260×5

    300×8

    370×8

    470×8

    键宽×条数 Key width X number

    8×4

    8×4

    10×4

    12×4

    12×4

    16×4

    16×4

    20×4

    25×4

    28×4

    40×4

    45×4

    轴孔 Shaft hole

    24

    28

    38

    45

    45

    60

    70

    80

    100

    120

    160

    220

    外型尺寸 Appearance - size

    A

    186

    197

    212

    227

    227

    257

    321>

    340

    392

    452

    553

    583

    B

    74

    98

    106

    132

    132

    153

    170

    194

    217

    295

    364

    394

    G

    99

    129

    150

    307

    307

    380

    408

    501

    556

    734

    861

    1041

    K

    160

    190

    235

    268

    268

    330

    350

    440

    500

    660

    780

    940

    H

    89

    100

    100

    115

    115

    124

    144

    152

    168

    203

    210

    210

    H2

    125

    125

    125

    145

    145

    145

    200

    200

    276

    276

    300

    300

    E

    69

    89

    109

    126

    126

    163

    170

    215

    230

    308

    369

    459

  • 上一页:该页为第一页
    下一页:该页为最后一页
  • 0
  • 关闭
Copyright © 2017 完美平台 ALL Rights Reserveds 浙ICP备17007431号-1
地 址:永嘉县瓯北镇堡二工业区前河西路23号 服务热线:0577-67375915

在线咨询

工作日:8:30-17:30
周   末:8:30-17:00

在线咨询

请您留言

Please leave a message

*

标题

*

姓名

*

电话

*

邮箱

*