YS系列部分回转型阀门电动装置
PRODUCTS
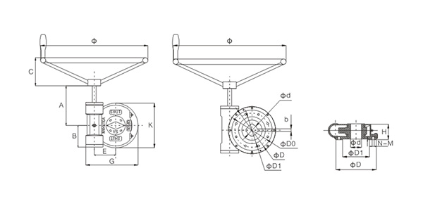
  • 产品名称:

        YS系列部分回转型阀门手动装置

    型号 Model

    2

    3

    4

    5

    6

    7

    8

    9

    技术参数 Technical - parameters

    速比 Speed ratio

    50:1

    54:1

    57:1

    60:1

    70:1

    60:1

    65:1

    72:1

    输入力矩 Input torque

    80

    80

    120

    140

    150

    180

    180

    210

    输出力矩 Output torque

    1120

    1209

    1915

    2352

    2940

    3024

    3276

    4233

    连接尺寸 Connection - size

    法兰号 Flange

    F07

    F10

    F12

    F14

    F16

    F18

    F20

    F25

    法兰外圆(D) Flange outer circle

    90

    125

    150

    175

    210

    230

    260

    300

    连接孔中心(D0) Connecting hole center

    70

    102

    125

    140

    165

    185

    200

    254

    孔数-螺栓(N-M)Hole number - bolt

    4-m8

    4-m10

    4-m12

    4-m16

    4-m20

    4-m20

    8-m16

    8-m16

    凹面(D2Xh)Concave

    55×3

    70×3

    85×4

    100×4

    130×5

    150×5

    160×5

    200×5

    键宽×条数 Key width X number

    6×4

    8×4

    8×4

    10×4

    12×4

    16×4

    16×4

    16×4

    轴孔 Shaft hole

    20

    24

    28

    38

    45

    50

    60

    70

    外型尺寸 Appearance - size

    A

    112

    131

    176

    196

    220

    219

    236

    252

    B

    51

    74

    98

    106

    132

    135

    153

    170

    C

    80

    85

    85

    85

    85

    85

    85

    85

    G

    149

    99

    129

    150

    307

    320

    380

    408

    K

    1301

    160

    190

    235

    268

    300

    330

    350

    H

    62

    89

    100

    100

    115

    119

    124

    144

    E

    63

    69

    89

    109

    126

    145

    163

    170

    250

    300

    350

    400

    450

    500

    500

    600

  • 上一页:该页为第一页
    下一页:该页为最后一页
  • 0
  • 关闭
Copyright © 2017 完美平台 ALL Rights Reserveds 浙ICP备17007431号-1
地 址:永嘉县瓯北镇堡二工业区前河西路23号 服务热线:0577-67375915

在线咨询

工作日:8:30-17:30
周   末:8:30-17:00

在线咨询

请您留言

Please leave a message

*

标题

*

姓名

*

电话

*

邮箱

*