SD系列部分回转型阀门电动装置
PRODUCTS
  • 产品名称:

        SD系列部分回转型阀门电动装置

    SD系列部分回转型阀门电动装置
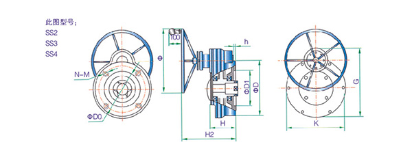
            该系列产品主要与电动装置组合使用,整体采用正齿轮传动,转动支撑采用滚动轴承,使该产品的传动效率高。每种型号提供多个传动比,供用户选择,能更好的匹配不同规格阀门。产品共有10种型号。
     

    型号 Model

    SD2

    SD2-T

    SD3-S

    SD3

    SD3-T

    SD4-S

    SD4

    SD4-T

    SD6-S

    SD3-B

    SD5-T

    技术参数Technical - parameters

    标准速比 Stamdard-ratio

    1:6

    1:15.4

    1:3

    1:6

    1:10.1

    1:3

    1:6

    1:15.3

    1:2

    1:2

    1:24

    可选速比Optional Ratio

    1:5

    1:12.8

    1:4

    1:5

    1:8

    1:4

    1:5

    1:12.5

    1:3

    1:4.8

    1:30

    输入极限力矩 Nm Limit Input-Torque Nm

    280

    250

    750

    750

    480

    1050

    1450

    1200

    8000

    610

    3000

    输出极限力矩 Nm Limit Output-Torque Nm

    1200

    2500

    1600

    3100

    3100

    2200

    6100

    11500

    11200

    2060

    50400

    连接尺寸 Connection-size

    输入

    Input

    法兰ISO5211JB2920

    F10、F14

    Z20/Z30

    Z45/Z60

    F10

    F14

    F14、F16

    Z45/Z60

    F14、F16、F25

    Z45/Z60

    Z90/Z120

    F25Z90

    Z120

    F25

    Z90/Z120

     

    F25、F30

     

    Z90/Z120

     

    Z180/Z250

     

    F25

     

    Z45/Z60

     

    Z90/Z120

     

    F25

     

    Z250/Z500

    F16

    F16、F30

    Z90/Z60

    Z180/Z250

    轴Axis(d)

    30

    22

    36

    42

    38

    50

    65

    50

    100

    35

    100

    键宽Key(b)×键高

    8×7

    8×7

    10×8

    12×8

    10×8

    14×9

    18×11 14×9 28×16 10×8

    28×16

    ******轴(d-max)

    30

    25

    40

    50

    40

    55

    69.5

    58

    110

    35

    110

    L

    60

    60

    80

    80

    80

    100

    100

    100

    180

    60

    180

    输出

    Output

    法兰外圆(D)

    275

    275

    275

    330

    330

    330

    510

    510

    510

    330

    380

    连接孔中心PCD(D0)

    235

    235

    235

    285

    285

    285

    450

    450

    450

    285

    340

    凹面 Concave(D2×h)

    180×5

    180×5

    180×5

    220×6

    220×6

    220×6

    360×8 360×8 360×8

    220×8

    280×5

    孔数-螺栓 Bolt(N-M)

    4-M20

    4-M20

    4-M20

    4-M24

    4-M24

    4-M24

    8-M30 8-M30 8-M30 4-M24

    8-M240

    外型尺寸Appearance-size

    H

    120

    92

    133

    153

    122

    150

    166

    255

    262

    310

    160

    H2

    195

    244

    196

    222

    310

    228

    284

    330

    379

    371

    330

    K

    295

    218

    303

    425

    296

    392

    564

    497

    618

    440

    510

    G

    348

    310

    377

    528

    394

    510

    712

    728

    813

    594

    775

  • 上一页:SD系列部分回转型阀门电动装置
    下一页:该页为最后一页
  • 0
  • 关闭
Copyright © 2017 完美平台 ALL Rights Reserveds 浙ICP备17007431号-1
地 址:永嘉县瓯北镇堡二工业区前河西路23号 服务热线:0577-67375915

在线咨询

工作日:8:30-17:30
周   末:8:30-17:00

在线咨询

请您留言

Please leave a message

*

标题

*

姓名

*

电话

*

邮箱

*